Ihr Warenkorb

0 Artikel

› zum Warenkorb

Anmelden

›  Kennwort vergessen?

›  Registrieren

Schreiben Sie uns eine E-Mail:

info@e-motore.com

› zum Kontaktformular

Beratungs-Hotline vom Fachmann

✆ 02394 - 242 97 15

› alle Kontaktdaten

› Home   › Trennrelais   › Trennrelais Unterputz für Rolladen und Jalousie

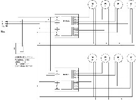
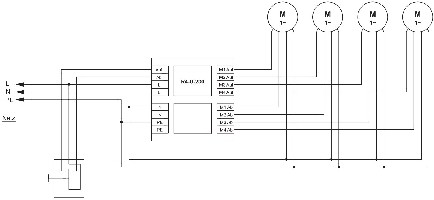
Trennrelais R4-U-230 4 Motore

Das Trennrelais R4-U-230 ist eine Motorsteuerung (Motor controller) für 4 Motore. Nur Zentralbedienung, keine Einzelbedienung.

Trennrelais R4-U-230 4 Motore
Trennrelais R4-U-230 4 Motore - Bild
Trennrelais R4-U-230 4 Motore - Bild 1
Trennrelais R4-U-230 4 Motore - Bild 2
Trennrelais R4-U-230 4 Motore - Bild 3
Trennrelais R4-U-230 4 Motore - Bild 4

Trennrelais R4-U-230 4 Motore - Ausführungen

€ 35,00*
inkl. MwSt - zzgl. Versand

Artikelbeschreibung Trennrelais R4-U-230 4 Motore

Trennrelais R4-U-230 (Unterputz) für bis zu 4 Rolladenmotore über eine Zemtralbedienung (z.B. Zeitschaltuhr)

Artikelnummer 2212057

Anschlußmöglichkeiten für Trennrelais R4-U-230:

  • 4 Rolladenmotore bzw. Jalousiemotor
  • 1 Zentralbedienung (z.B. Zeitschaltuhr)

Vorteile Trennrelais R4-U-230:

  • Bedienung von bis zu 4 Motoren über einen zentralen Rolladentastaster oder Rolladenschaltuhr
  • Betrieb über einen Taster im Totmannprinzip
  • Alternativ sehr komfortable Handbedienung über Rolladenschaltuhr mit Selbsthaltung, z.B. Relax

Technische Daten für Trennrelais R4-U-230:

  • Nennspannung: 230V AC 50Hz
  • Steuerspannung: 230V AC 50Hz
  • Abmessungen: ca. 55 x 50 x 42 mm
Herstellerangaben nach EU 2023/988 Produktsicherheitsverordnung (GPSR):
Simu

Somfy GmbH

Felix-Wankel-Strasse 50

72108 Rottenburg

info@somfy.de

Kontakt

Aloys Cormann GmbH - e-motore.com
Akku für Simu Fluchtwegmodul bzw. Rettungswegmodul, Rollladenmotor und Rollladen, Rollladen für Dachfenster

Leggeweg 2
D- 58809 Neuenrade

E-Mail: info@e-motore.com
Telefon: 02394/2429715
Telefax: 02394/2429722 oder 02394/2429719

Zahlungsarten

  • Paypal
  • Kreditkarte
  • Lastschrift
  • Vorauskasse
  • Barzahlung bei Abholung

Paypal Plus

Newsletter abonnieren

Ich willige ein, dass meine Angaben zwecks Newsletter-Versand gespeichert werden und akzeptiere die Datenschutzerklärung.

*Alle Preise inkl. MwSt. und zzgl. Versandkosten

© 2026 e-motore.com Online-Shop

20.04.2026